Трансмиссия
Коробка передач трактора ХТЗ Т-150К гидромеханическая, представлена четырьмя диапазонами: замедленный, транспортный, рабочий и задний ход. В каждом из них расположено по четыре передачи.
Большим плюсом КПП ХТЗ является то, что переключение осуществляется без разрыва потока мощности. Это достигается при помощи персональных прижимных муфт, которые располагаются на вторичном вале коробки и соединяют его с ведомыми шестернями. Благодаря этому при переключении передач изначально включается гидроприжимная муфта следующей передачи, а после этого выключается муфта предыдущей. На несколько долей секунд муфты обеих передач остаются включёнными, что обеспечивает беспрерывность переключений.
Диапазоны трактора ХТЗ-150 переключаются только при остановке трактора. Задний мост (крепится жестко к раме) — ведущий, передний (установлен на рессорах) — переключаемый.
Особенности конструкции[ | ]
На тракторе Т-150К двигатель расположен спереди. К нему крепится муфта сцепления, коробка передач и раздаточная коробка, два выходных вала которые связаны карданными передачами с коническими главными передачами, установленными в заднем и переднем мостах. (Карданная передача к заднему мосту содержит промежуточную опору). Дифференциалы главных передач соединены с планетарными конечными передачами, на которых установлены колёса с тормозами. Привод от двигателя к независимому заднему редуктору вала отбора мощности обеспечивается валом, проходящим внутри трубчатых валов муфты сцепления, коробки передач и раздаточной коробки, а затем карданной передачей с промежуточной опорой. Промежуточные опоры обеспечивают совмещение осей симметрии двойных вилок карданов с осью вертикального шарнира, что позволяет при повороте трактора сделать углы карданных передач минимальными. Поворот трактора осуществляется двумя гидроцилиндрами, разворачивающими полурамы относительно вертикального шарнира.
Двигатель
Специально для трактора Т-150К был разработан дизельный двигатель СМД-60. Двигатель шестицилиндровый V-образный, жидкостного охлаждения с турбонаддувом. Эксплуатационная мощность — 165 л. с. Запуск осуществляется пусковым бензиновым двигателем, который, в свою очередь, запускается электростартёром.
После прекращения производства двигателя СМД-60 на трактор устанавливается безнаддувный шестицилиндровый V-образный, жидкостного охлаждения двигатель ЯМЗ-236Д3 эксплуатационной мощностью 170 л. с. Запуск электростартёрный.
Трансмиссия
Коробка передач имеет несколько диапазонов (замедленый, рабочий, транспортный и задний ход), в каждом из которых 4 передачи, переключаются без разрыва потока мощности. Вторичный вал коробки передач снабжен персональными гидроподжимными муфтами, соединяющими его с ведомыми шестернями четырёх передач. При переключении передач сначала включается гидроподжимная муфта последующей передачи, затем выключается гидроподжимная муфта предыдущей передачи. Долю секунды обе муфты включены, что и обеспечивает безразрывность переключения. Диапазоны переключаются при остановке трактора. Задний мост постоянно ведущий, передний — отключаемый.
Кабина
Шумо-, пыле-, виброизолированная, с 2013 г. оборудованная каркасом безопасности. Кабина находится в зоне центра тяжести, поэтому колебания минимальны и условия труда тракториста максимально комфортны.
Рама
Состоит из передней и задней полурам, связанных вертикальным (для обеспечения поворота трактора) и горизонтальным (для обеспечения контакта с почвой всех четырёх колёс) шарнирами. Полурамы изготовлены из продольных швеллеров (прокат) и поперечных литых брусьев. Соединены элементы рамы заклёпками.
Достоинства трактора Т-150К
- Возможность работы на магистральных дорогах с твёрдым покрытием за счёт колёсного хода и обеспечения габарита по ширине менее 2,5 м
- Универсальность. Увеличенная база трактора (расстояние между осями передних и задних колёс), установка одинаковых передних и задних колёс увеличенной грузоподъёмности, наличие свободного пространства на задней полураме позволяют существенно увеличить количество агрегатируемых с трактором сельхозмашин
- Повышение надёжности и долговечности
- Улучшение условий труда
- Повышенные транспортные скорости
Недостатки трактора Т-150К
- Увеличение удельного давления на грунт в два раза, буксования — в три раза
- Уменьшение тягового усилия на 20-30 %
- Уменьшение производительности тракторного агрегата
- Увеличение расхода топлива на 10 %
- Увеличение стоимости. Для обеспечения безопасности труда установлена кабина со встроенным каркасом безопасности
В завершение обзора
Рассматриваемый трактор ориентирован на выполнение различных энергоемких работ в сфере промышленности и сельского хозяйства. Он может взаимодействовать с погрузчиками, сеялками, прицепами грузоподъемностью до двадцати тонн, а также прочими навесными и полунавесными машинами.

Характеристика трактора Т-150К, а также его оснащение позволяют классифицировать его, как технику третьей тяговой категории. Высокую проходимость обеспечивает возможность включения полного привода. Благодаря своим показателям, Т-150К более тридцати лет активно и успешно эксплуатируется в большинстве стран бывшего Советского Союза и за рубежом. Дополнительную популярность рассматриваемая техника получила благодаря своей универсальности и ремонтопригодности.
Двигатель
Специально для марки трактора ХТЗ Т-150К был разработан дизельный двигатель марки СМД-60 мощностью 165 л. с., который имел переднее расположение, шесть цилиндров и v-образную форму. Система охлаждения двигателя — жидкостная с наличием турбонадува. Запуск основного двигателя осуществлялся при помощи пускового бензинового, который начинал свою работу от запуска электростартера.
Спустя некоторое время Харьковский завод прекратил производство двигателя марки СМД-60, и на трактор устанавливали безнадувной шестицилиндровый двигатель жидкостного охлаждения ЯМЗ-236 ДЗ, мощность которого составляет 170 л. с. Его запуск осуществлялся без вспомогательных двигателей при помощи электростартера. Данная модель двигателя существенно улучшила основные характеристики трактора.
Устройство
Кабина
При проектировании агрегата, советские инженеры уделили отдельное внимание устройству кабины трактора. И, стоит отметить, у них получилось создать по-настоящему удобное и комфортное рабочее место
Рисунок 4. Схема кабины трактора «Т-150К»
Кабина обладала двумя полноценными местами, а также была надежно защищена от пыли и шума, которые, несомненно, сопутствовали работе тракториста. Среди систем коммуникации стоит отметить достойную систему вентиляции, а также отличное отопительное устройство. Среди оборудования кабины также можно выделить козырек, наилучшим образом защищающий глаза рабочего от солнечных лучей. В остальном все стандартно – место под медицинскую аптечку, обзорные зеркала и стеклоочистители.
Чтобы показать, насколько комфортабельно спроектирована кабина, стоит сообщить о том, что ее конструкция предусматривала даже наличие крючков для одежды! Кроме этого, присутствовали также места, предназначенные для установки термоса и кулера с питьевой водой.
Само водительское место можно было регулировать, что называется, «под себя». Механизмы позволяли регулировать высоту и уровень наклона сиденья в зависимости от массы и роста тракториста.
Навесное оборудование
Конструкционные особенности трактора «Т-150К» позволяли использовать эту машину для различных задач. В наше время на выбор покупателя предлагается огромное количество всевозможного навесного оборудования:
- Шнеко-роторное оборудование.
- Щеточное оборудование.
- Прицепное моечное оборудование.
- Снегоочистительное оборудование.
- Погрузочное оборудование.
- Узкоспециализированные навесные устройства – разбрызгиватели песка, косилки для травы, навесное сварочное оборудование, и многие другие виды навесных устройств.
Как вы видите, за годы использования, трактор этой модели был использован для решения самых разнообразных вопросов. Комплекты навесного оборудования позволяют агрегату быть полезным даже спустя большое количество времени.
Модификации трактора Т-150к
Трактор успешно применяется в промышленности, дорожном строительстве, лесном хозяйстве. Учитывая варианты эксплуатации, на заводе разработаны и запущены в производство модификации Т-150к обладающие указанными характеристиками:
- Т 158 – промышленный вариант, оснащался специальным тягово-сцепным устройством автомобильного типа и использовался для перевозки грузов массой до 20 тонн с помощью прицепов или полуприцепов.
- Т 157 – лесопромышленная версия, отличалась повышенной проходимостью, специальным каркасом безопасности для защиты кабины и наличием трелевочного оборудования для транспортировки спиленных деревьев.
- Т 156 – фронтальный погрузчик, оборудованный навесным ковшом грузоподъемностью до 3 тонн, используется для погрузки мелкокусковых материалов и сыпучих грузов в транспортные средства.
- Т-150КД – версия общего назначения с установкой бульдозерного оборудования для работ по помещению грунта и других материалов на расстоянии не превышающие 100 метров. Бульдозерная навеска используется Т-150к зимой для расчистки дорог от снега.
Проектирование и создание
Изготовление агрегированной между собой колесной и гусеничной техники стало большим и непростым прорывом в сфере машиностроения. Среди известных мировых производителей тракторов, кроме Т-150К, по этому пути пошла компания John Deere и некоторые европейские бренды, знаменитые выпуском современной и комфортной аграрной и промышленной техники.
Рассматриваемый агрегат является усовершенствованной версией Т-125 и выпускается с 1971 года. За несколько десятилетий производства машина претерпела ряд модернизаций. Этот аппарат успешно прошел тестирование на международной выставке в США. Далее рассмотрим параметры, характерные для модели выпуска 1975 года и более новых вариаций.
Устройство
Каркас Т-150 состоял из двух полурам, связанных горизонтальным и вертикальным шарнирами. Полурамы состояли из поперечных брусьев и продольных швеллеров, закрепленных заклепками. Двигатель на данной модели располагался спереди. К мотору крепились коробка передач, раздаточная коробка, муфта сцепления и выходные валы, связанные с главными передачами посредством карданных передач. Дифференциалы передач соединялись конечными передачами, снабженными колесами с тормозами. Поворот техники осуществлялся с помощью гидроцилиндров, двигающих полурамы относительно шарнира.
Т-150 получил коробку передач с несколькими диапазонами (транспортный, замедленный, задний ход и рабочий). Каждый диапазон включал 4 передачи, переключаемые без разрыва мощности. На вторичном вале КП располагались гидроподжимные муфты, обеспечивающие его соединение с ведомыми шестернями передач. В процессе переключения передач первой включалась муфта последующей передачи, а затем муфта предыдущей передачи. Неразрывность переключения достигалась за счет двойного включения муфт. Трактор имел отключаемый передний мост и постоянно ведущий задний.
Трактор оснащался вибро-, пыле- и шумоизолированной кабиной. С 2013-го года она получила специальный каркас безопасности. Кабина располагалась в области центра тяжести, потому водитель испытывал минимальные колебания. В кабине также были установлены стеклоочистители, обогрев, противосолнечный козырек, вентиляция, устройство для защиты от запотевания лобовых окон и зеркала заднего вида.
Как устроена машина

1 – насосная установка гидросистемы; 2 – дизельный мотор; 3 – кабина с органами управлшения; 4 – магистраль гидросистемы; 5 – устройство обора мощности; 6 – задний мост; 9 – элементы трансмиссии; 10 –мост передний
Ходовая пневмоколесная часть
Рама трактора шарнирно-ломающего типа собирается из двух полурам соединенных через двойной шарнир. Конструкция допускает отклонения передней и задней частей узла на +/- 15° в вертикальной и на +/- 30° в горизонтальной плоскостях. Подобная схема увеличивает проходимость и устойчивость машины, позволяет менять направление движения без воздействия на колеса передней оси. К передней полураме крепятся: ● через рессорный узел передний мост (в режиме бульдозера действие рессор блокируется механическим стопором); ● силовая установка, узлы трансмиссии, кабина управления. Кормовая полурама жестко соединена с задним мостом. Колеса низкого давления взаимозаменяемые, допускают сдваивание. Типоразмер 350—610Р, модель ФД-14. Вес колеса Т-150К (шины) 144 кг.

Узлы трансмиссии
Сцепление в сухом исполнении однодисковое с пневмоусилителем привода. Коробка передач механического типа, режимы передачи энергии вращения выбираются вручную, включаются гидромуфтами. 12 скоростей работы КПП распределены на 4 диапазона: замедленное передвижение, рабочее, транспортное, задний ход. Раздаточная коробка через карданный вал, узлы редукторов дифференциального устройства, главной передачи, бортовых конечных передач обеспечивает постоянную работу ведущего заднего моста и ручное подключение переднего.
Управление машиной
Выбор направления движения осуществляется рулевым колесом и исполнительным гидроприводом, силовой цилиндр которого обеспечивает поворот полурам в шарнирном соединении. Две системы тормозов: ● центральная, для использования на стоянке, механического типа с ручным приводом, устанавливается на вале привода переднего моста; ● рабочие тормоза колодочного типа, управляются пневмоприводом, устанавливаются на корпусах бортовых редукторов колес.
Модификации тракторов Т-150 и Т-150К
С момента своего выпуска модели Т-150 и Т-150К получили широкую популярность среди пользователей. Это позволило компании-производителю машин создать еще несколько агрегатов, основой которых и послужили 150-ые модификации.
В перечень тракторов, выпущенных на базе Т-150 и Т-150К, входят:
- Т-158 – модель, предназначенная исключительно для работы в промышленности. Агрегат получил более мощный двигатель, усиленную несущую раму и механизм навески, который позволяет устанавливать на трактор буры, ковши, погрузчики и другие орудия;
- Т-155 – тягач, обладающий небольшими физическими габаритами. Модификация оборудована колесной ходовой частью с двумя ведущими мостами. Повышенные тяговые параметры мотора позволили сделать агрегат универсальной модификацией, которая часто используется для перевозки крупногабаритных твердых и сыпучих грузов на карьерах и заводах;
- Т-157 – трелевочный трактор. Машина создана специально для работы на заготовке леса. Агрегат получил улучшенную шарнирную подвеску, которая позволила его ходовой части менять положение не только в горизонтальной, но и в вертикальной плоскости;
- Т-156 – среднегабаритный погрузчик. Главные преимущества модели заключаются в низком расходе топлива и улучшенной трансмиссии. Агрегат обладает упрощенной конструкцией, что позволяет быстро выполнить его ремонт самостоятельно;
- Т-150КД – трактор, устройство которого позволяет устанавливать на машину разные виды бульдозерного оборудования. Машина выделяется повышенной стойкостью и проходимостью на мягком покрытии.
Трактор Т-150 также послужил основой для создания армейской версии Т-154, которая в наши дни активно используется для буксирования артиллерийских установок, а также для выполнения различных инженерно-строительных работ. Все запчасти этой модификации изготовлены из усиленных металлических сплавов, что сделало ее менее уязвимой в условиях проведения реальных боевых действий. Главное отличие модели от других тракторов – это крюк, который заменил стандартный маятниковый механизм навески.
История трактора
Трактор «Т-150» был спроектирован еще в Советском Союзе, что уже само по себе является отличной гарантией качества. Поставленная в 70-ых годах советским руководством задача о создании прогрессивного тракторного агрегата большой мощности была с блеском выполнена инженерами Харьковского тракторного завода. «Отцом» «Т-150» принято считать главного конструктора этого завода – Б. П. Кашубу.
Закономерно, что отличный проект достаточно быстро был воплощен в реальность. Уже в 1973 году тракторные агрегаты типа «Т-150» были представлены к серийному производству, которое предполагало выпуск машин в двух видах: гусеничные и колесные тракторы. Именно слово «колесный» и скрыто в аббревиатуре «Т-150К», и именно колесная версия агрегата стала пользоваться огромной популярностью. Главными преимуществами этой машины можно назвать огромную мощность, по показателям которой в том время «Т-150К» было не превзойти, а также высокая производительность – она была также в полтора-два раза больше, чем у предшественников. Еще одним очевидным плюсом нового трактора является наличие улучшенной коробки передач – была переработана вообще вся двигательная часть, что позволило эксплуатировать трактор на достаточно больших скоростях.
За все время, которое трактор находился в эксплуатации, заводом имени Серго Орджоникидзе было выпущено более 750 тысяч машин различных модификаций. «Т-150»пользовался успехом не только на территории Союза – агрегаты также шли на экспорт, поднимая престиж инженеров страны в глазах мирового сообщества.
Трактор Т-150К: технические характеристики

Данный агрегат можно использовать как для обработки земли и других сельхозработ, так и для перевозки тяжелых грузов с прицепом. Устройство трактора Т-150К не отличается от исполнения трактора Т-150.
Отличается он лишь некоторыми техническими характеристиками:
- мощность двигателя – 180 л. с.;
- средний расход топлива – 248 г*кВт/час;
- обороты коленвала – 2100 об/мин;
- вместительность топливного бака – 330 л;
- габариты – 3165*2520*2860;
- ширина колеи – 1900 мм;
- масса – 8750 кг.
Ремонт данного оборудования может доставить сложности лишь с технологичной точки зрения, поскольку запчасти к нему можно спокойно приобрести.
Устройство трактора Т 150

1 – дизельный мотор; 2 – рычаги и руль управления; 3 – трансмиссионные узлы; 4 – навесной узел; 5 – гусеничная лента
Ходовая гусеничная часть
Механизм собран из рамы, движителя и подвески. Рама жесткого типа, изготовлена из двух лонжеронов коробчатого типа и трех балок-поперечин, соединенных заклепками. К раме через рессорный блок подвески крепятся две тележки движителя с гусеничной лентой из 47 звеньев каждая, ведущими звездочками, направляющими катками с устройствами натяжения и амортизаторами, опорными и поддерживающими колесами.
Силовая установка
Дизель СДМ-60 (V-образный на 4 рабочих такта, 6 цилиндров, прямой впрыск топлива), Смонтирован в передней части рамы и через узел сцепления соединен с КПП.
Сцепление
Тип устройства – сухого исполнения двухдисковое, замкнутая муфта с демпферами колебаний вала на ведомых дисках. Монтируется на маховике мотора, управляется пневмоприводом.

Коробка переключения передач
Обеспечивает передачу энергии вращения отдельно для каждой гусеничной тележки. Разделение потока мощности и две главные передачи заднего моста позволяют управлять машиной по направлению и реверсом. Агрегат собран из двух жестко соединенных узлов: коробки раздачи и коробки передач. КПП механического типа, четырехрежимная. Режимы переключаются гидромуфтами с приводом от отдельной гидросистемы. Режимы передачи момента: ● рабочий; ● транспортный; ● замедленный; ● реверсивный.
КПП крепится к лонжеронам в задней части машины. Над ней монтируется кабина управления и бак для топлива.
Управление машиной
Осуществляется рычагами переключения передач и смены рядов КПП, рулевым колесом, педалью привода тормоза, рукояткой гидрораспределителя навесной системы, рычагом муфты устройства отбора мощности, педалью привода муфты сцепления.
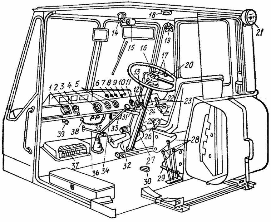
Кабина
Установлена на жестком каркасе. Уровень остекления, работа светотехнических приборов позволяет в достаточной степени контролировать рабочие процессы. Системы вентиляции и отопления улучшают условия труда.
Колесный вариант машины
Назначение и сфера применения агрегата в основном соответствуют возможностям гусеничной машины Т 150. Пневмоколесная ходовая часть обеспечивает трактору большую мобильность, возможность самостоятельного перемещения по дорогам общего пользования
Трактор Т-150: технические характеристики
Все модели тракторов Т-150 оборудованы дизельным 6-цилиндровым четырехтактным наддувным двигателем СМД-60. Его мощность – 158 лошадиных сил. Размещение цилиндров – V-подобное, охлаждение – жидкостное. Запускается двигатель по двойному алгоритму – с начала стартером заводится пусковой бензиновый мотор, который в свою очередь разгоняет главный двигатель. Очистка воздуха для топливной системы трехуровневая – 2-ступенчатая очистка сухим фильтром от пыли плюс инерционно-масляная (так называемая тонкая очистка). При отрицательных температурах (от –5°С) двигатель запускается с помощью специальной нагревательной системы ПЖБ-300.
Другие технические параметры трактора:
- вместительность бачка для горючего – 315 л;
- средний расход топлива – 258 г*кВт/час;
- габариты – 2945*6130*2220;
- вес агрегата – 7685 кг;
- ширина колеи – 1860 мм.
Трактор Т-150

Создать унифицированные гусеничные и колесные трактора оказалось довольно сложно. Колесная модификация появилась несколько раньше и пользовалась большей популярностью. Т-150 стал модернизированной версией Т-125. Последний имел полностью оригинальную конструкцию, разработанную практически с «нуля».
Опытный экземпляр Т-150 Харьковский завод выпустил в 1967-ом году. Спустя 12 лет модель прошла тестирование на международном полигоне в американской Небраске. Производство модели продолжается уже свыше 40 лет. За этот период трактор прошел несколько модернизаций.
Т-150 используется в сельскохозяйственных работах (для уборки культур, посева, пахоты, обработки почвы), при транспортировке грузов с полуприцепами и прицепами, в дорожных работах. У модели все колеса ведущие. Т-150 относится к тракторам 3-го тягового класса.
Видео
Особенностью модели стало сочетание качеств транспортного тягача и техники общего назначения. Универсальность позволяла применять Т-150 в различных направлениях практически весь год. Трактор работал с дорожно-строительными, полунавесными, прицепными, навесными и дорожными машинами. Технические решения, примененные еще 40 лет назад, оказались удачными. Т-150 не утратил свою актуальность и сейчас.
Конструкция трактора Т-150
Рама агрегата состоит из двух конструктивных частей (полурам), соединенных между собой горизонтальными и вертикальными шарнирными креплениями. Полурамы усилены поперечными стальными балками и продольными швеллерами. Такое устройство несущей конструкции обуславливает переднее расположение мотора.
К задней части мотора крепится коробка передач, на нее в свою очередь установлена кабина с бачком для горючего. КПП имеет несколько рабочих режимов (транспортный, тяговый, рабочий, задний ход) и по 4 передачи для каждого из них. Переключение передач происходит без остановки и перерыва под воздействием двойного переключения с помощью гидромуфт.
Гусеничный вариант имеет рулевое управление для выполнения поворотов, а переключение передач на каждой гусенице по отдельности дает возможность разворачивать агрегат фактически на месте. Поворот колесного трактора осуществляется с помощью гидроцилиндров, помогающих развернуть полурамы конструкции. Все колеса являются ведущими, ширина шин позволяет равномерно распределить вес и уменьшить давление на покрытие при передвижении.
Кабина трактора достаточно комфортабельная и безопасная. Она состоит из металлического закрытого каркаса, полностью герметична от воздействия пыли, грязи, воды. Конструктивное расположение уменьшает уровень воздействия шума и вибрации на оператора. Также в кабине предусмотрены 2 сиденья (водительское имеет возможность регулировки), дворники, обогрев, вентиляция, зеркала, освещение, есть место для аптечки и вешалка для одежды.
Технические параметры и конструкция агрегатов Т-150
Двигатель
- СМД-61 – производства ХЗТД.
- ЯМЗ-236Д – производства Автодизель.
Двигатели Т-150 обладали следующими техническими характеристиками (в скобках для модели ЯМЗ-236Д):
- Мощность – 160 л. с. (175).
- Число цилиндров и расположение – 6 шт., V-образное.
- Частота вращения – 2000 об/мин (2100).
- Объем – 9,15 л (11,15).
- Вес – 0,95 т (1,00).
- Способ запуска – электрический стартер.
- Расход топлива – 217 г/кВт.час (220).
Трансмиссия
На Т-150, коробка передач имела гидроуправление и обладала схемой переключения, позволяющей изменять передачи при движении под нагрузкой. Количество передач с учетом деления на диапазоны составляло:
- передний ход – 9;
- задний ход – 3.
Такая конструкция трансмиссии обеспечивала скоростные характеристики:
- Наибольшая скорость движения::
- вперед – 15,65 км/ч.
- назад – 7,80 км/ч.
- Наименьшая::
- вперед – 4,30 км/ч.
- назад – 5,80 км/ч.
ВОМ имеет независимое исполнение и обладает двухскоростным вариантом вращения. При этом частота составляет 1000 или 540 об/мин.
Кабина

Сама кабина обладала каркасной конструкцией, небольшим весом, имела хорошую шумоизоляцию, высокую герметизацию, круговое остекление, передние стекла оборудованы стеклоочистителями. Комплектовалась специальным отопителем для работы в холодное время.
Характеристики

- Длина – 5,00 м.
- Ширина – 1,88 м.
- Высота – 2,68 м.
- Агропросвет – 0,30 м.
- Масса – 7,95 т.
- База – 1,80 м.
- Колея – 1,45 м.
- Грузоподъемность навесного устройства – 3,50 т.
Заправочные параметры сельхозмашины:
- Масло::
- Двигатель – 19,8 л.
- Рулевое управление – 33 л.
- КПП – 38,0 л.
- Гидросистема – 50 л.
- Ведущий мост – 34 л.
- Редуктор ВОМ – 3,6 л.
- Топливо – 15 л.:
- Охлаждающая жидкость – 41 л.:
Устройство агрегата и технические параметры
Двигатель

За период производства трактор комплектовался следующими дизельными четырехтактными турбироваными моторами с использованием водяного охлаждения:
- СМД-61 (производитель ХЗТД).
- ЯМЗ-236Д (производитель Автодизель).
В качестве пускового устройства использовался бензиновый стартовый двигатель, который запускался электростартером.
К техническим особенностям обоих силовых агрегатов относят возможность выполнения пускового нагрева, что улучшало запуск зимой.
Двигатели, которыми комплектовался Т-150к, имеют следующие технические характеристики (приведены для СМД-61, а в скобках указаны параметры ЯМЗ-236Д):
- Число цилиндров – 6 шт.
- Расположение –V-образное, под углом развала в 90 градусов.
- Мощность – 160,0 (175,0) л. с.
- Объем – 9,2 (11,2) л.
- Охлаждающая жидкость – тосол (возможно применение воды).
- Масса ДВС – 0,95 (1,00) т.
- Расход топлива – 217,0 (220,0) г/кВт.час.
- ТНВД – распределительного типа, с двумя плунжерами.
- Количество оборотов – 2000 (2100) об/мин.
Кабина

Двухместный вариант кабины смонтирован на передней полураме трактора Т-150к, в центре зоны тяжести. Такое расположение технически снижает колебания и вибрацию. Сама кабина изготовлена из шумо и вибропоглощающих материалов и узлов, где с уменьшенными колебаниями обеспечивает комфортные условия для механизатора.
Выполнению работы способствует круговое остекление и наличие стеклоочистителей. Для комфортной работы зимой установлен специальный отопитель. После тюнинга кабины в 2013 году, в устройстве для безопасности применен специальный каркас.
Трансмиссия

Трансмиссия выполнена в механическом варианте:
- двухдисковая муфта сцепления в сухом варианте исполнения;
- КПП;
- раздаточная коробка;
- две конические главные передачи;
- межколесные дифференциалы;
- ВОМ (в базовом исполнении – задний).
Коробка передач трактора Т-150к выполнена с использованием гидравлического управления, с возможностью переключения скорости при движении.
Раздаточная коробка выполняет деление на диапазоны. С учетом характеристик такого деления количество передач трактора для переднего хода возрастает до 12, для заднего движения — до 4, при этом скорость движения (км/ч) составляет:
- Наибольшая: вперед – 30,10.
- назад – 3,35.
Наименьшая:
- вперед – 5,10.
назад – 9,15.
ВОМ имеет двухскоростное независимое исполнение, характеристики по частоте вращения в 540 и 1000 оборотов об/мин.
Технические характеристики
Стоит упомянуть о том, что модель «Т-150» была спроектирована на основе популярного в то время трактора «Т-125», многие положительные черты которого были перенесены и в новинку. В свою очередь, «Т-125» был спроектирован без какой-либо основы, и является уникальным агрегатом.
«Т-150 К» от своей гусеничной версии практически ничем не отличается, кроме, естественно всех деталей, касающихся ездовой части. В основном, отличия между ними содержатся только в компонентах, касающихся поворотных механизмов, ходовой системы, КПП и системы управления. Остальные показатели двух машин схожи и максимально унифицированы.
Масса составляет от 8 до 8,75 т, что позволяет говорить о тяговом классе «3-тс». Показатели минимальной и максимальной скорости при движении вперед расположены в диапазоне от 1,8 до 30,1 километров в час. Те же самые показатели, но при движении назад – от 6,6 до 10,4 километров в час. Топливный бак трактора вмещает в себя около 430 литров.
Основная рама этой модели состоит из двух частей – передней и задней. Части соединены между собой шарнирами, расположенными как горизонтально, так и вертикально. Вертикальный шарнир используется для задействования поворотного механизма, а горизонтальный отвечает за четырехколесный контакт с поверхностью земли. Тракторные полу-рамы состоят из прокатных швеллеров и литых брусьев. Задний мост модели «Т-150К» надежно закреплен на самой раме, а передний установлен на рессоры.
Двигатель
Основным двигателем трактора стал силовой агрегат СМД-60, проект которого был создан специально для установки на модели «Т-150». Запуск дизельного силового агрегата производился с использованием вспомогательной, бензиновой установки, которая приводилась в режим работы электростартером. Однако, за время эксплуатации трактора, СМД-60 морально устарел, и было принято решение изменить комплектацию удачного трактора. Машины стали использовать ДВС ЯМЗ-236ДЗ. Эта установка также приводилась в работу с помощью электрического стартера.
Дизельный силовой агрегат СМД-60.
- Эксплуатационная мощность – 165 лошадиных сил.
- Количество цилиндров – 6.
- Расположение цилиндров – V-образное.
- Тип охлаждения агрегата – жидкостное охлаждение с элементами турбо-наддува.
Двигатель внутреннего сгорания ЯМЗ-236ДЗ.
- Эксплуатационная мощность – 170 лошадиных сил.
- Количество цилиндров – 6.
- ·Расположение цилиндров – V-образное.
- ·Тип охлаждения агрегата – жидкостное охлаждение, без использования наддува.
Расход топлива
Изначально, трактор «Т-150К» был предназначен для работы с дизельным топливом. При температуре окружающей среды выше нуля градусов, производителем машины рекомендовано использовать летние виды топлива марок «Л» или «ДЛ». В том случае, если температура среды колеблется в диапазоне от нуля, до -30 градусов, необходимо заливать в бак зимние виды топлива марок «З» или «ДЗ».
Коробка передач
Общее строение КПП
КПП, применяемая в модели трактора «Т-150К» — гидромеханическая, ступенчатая, обладающая шестернями постоянного зацепления на выбранной передаче. Трактор, благодаря такой коробке, обладал 9 скоростями в трех диапазонах, переключаться между которыми можно на ходу не разрывая мощностной поток внутри самого диапазона. Коробка также блокировала пуск дизеля в моменты работы включенной передачи.
Схема
Рисунок 3. Схема КПП трактора «Т-150К»
Габариты
«Т-150К» обладает внушительными, даже для сельскохозяйственной техники, размерами. Подробнее о габаритах агрегата можно узнать из нижеприведенного списка:
- Размер трактора в длину – 6,130 мм.
- Размер трактора в ширину – 2,400 мм.
- Размер трактора в высоту – 3,195 мм.
- Дорожный просвет – 400 мм.
- Тракторная колея – 1,680 мм и 1,860 мм.
Гидравлическая система
Гидравлическое оборудование этой модели состоит из следующих частей:
- Раздельно-агрегатная, навесная система.
- Система поворотного управления.
- Система, выполняющая функции переключения между передачами.
Стоит также сказать о том, что в модели трактора «Т-150К» старше 2013 года раздельно-агрегатная навесная система, и система управления при повороте объединены.
Т-150К: технические характеристики
Ниже приведены основные параметры, которые имеет рассматриваемая техника:
- движитель колесного типа;
- предельная скорость – 30 километров в час при движении вперед, 10 – на заднем ходу;
- вес эксплуатационный – восемь тонн;
- длина/ширина/высота – 6,13/2,4/3,19 метров;
- колесная база – 2,86 м;
- клиренс – 40 сантиметров;
- марка силовой установки – ЯМЗ-236 или СМД-62;
- трансмиссия – гидравлическая механика;
- подвеска – передний мост на рессорах и задняя система с жесткой фиксацией;
- тормозной узел колодочного вида на каждом колесе плюс стояночный вариант, размещенный на валу привода фронтального моста.
Кроме того, Т-150К, фото которого размещено выше, может оснащаться гидравлическими, электрическими и пневматическими приспособлениями.
Модификации и особенности
Трактор харьковского производства Т-150К, фото которого приведено выше, имеет несколько модификаций. Среди них:
- Версия КД, которая представляет собой модель с бульдозерным оснащением.
- Вариант Т-156, использующийся преимущественно в качестве погрузчика.
- Т-157 – техника, предназначенная для эксплуатации в лесной отрасли.
- Т-158 – машина промышленного назначения.
- Т-155 – облегченный тягач на колесах.
Стоит отметить, что трактор Т-150К используется на авианосце «Адмирал Кузнецов». Его основная задача – очистка палубы от мусора и посторонних частиц. Для этого используется воздушное устройство, работающее от реактивного мотора истребителя МиГ-15.





























