Дауншифтинг
Под этим странным термином подразумевается то, как переключать низкие передачи машины в момент ее замедления. Метод здесь совершенно другой в сравнении с принципами работы коробки-автомата, он сложнее, но позволяет не просто снизить скорость, но и одновременно включить необходимую передачу.
Зачем уроки вождения на механике для начинающих включают в себя умение «дауншифтить»?
Они нужны, чтобы научиться снижать скорость до полной остановки без применения педали тормоза. Как говорят профи, можно тормозить и двигателем. Чтобы это сделать на скорости примерно в 70 км/ч, совершите следующие манипуляции:
выжав сцепление, включите третью передачу, передвинув правую ногу с акселератора на тормоз;
медленно отпускайте сцепление – это позволит избежать повышенных оборотов;
перед остановкой повторно выжмите сцепление;
первую скорость в качестве понижающей не активируйте.
Советы водителям при езде на механике
Самая распространенная ошибка у новичков — это интересная игра с педалью сцепления. Так как у большинства возникают трудности при старте, также встречаются водители, которые неправильно выставляют передачу, учитывая все внешние факторы.
Также зачастую у начинающих водителей возникают сильные толчки и рывки при переключении передачи. Это может стать главной причиной поломок, как отдельных частей трансмиссии, так и самой коробки передач. Кроме того, от подобного вождения может страдать двигатель. Например, если транспортное средство будет двигаться в гору на 5 передаче на очень низких оборотах, то поршневые пальцы начнут сильно стучать, от этого увеличивается износ деталей, в редких случаях поршень может даже сломаться.
Поршни зачастую ломаются при таких нагрузках, потому что в двигателе начинается процесс детонации — на слабых оборотах двигателя происходит самопроизвольный взрыв топливно-воздушной смеси. От таких взрывов поршни могут расколоться, а иногда даже и вовсе сломаться. Если вы услышите, что детонация в двигателе происходит, то постарайтесь как можно быстрее ее устранить. Первым делом остановите автомобиль, и, скорее всего, детонация прекратиться. В дальнейшем нужно будет посетить СТО, чтобы проверить двигатель на повреждения.
Внимание!
Бывают случаи, когда начинающий водитель боится повышать передачу, от этого он долго насилует первую, а после катается на 2-ой и 3-ей при скорости 70-80 км/ч. Такие действия не приводят ни к чему хорошему — происходит сильный расход топлива, а на движок и трансмиссию идут огромные нагрузки.. Также стоит добавить, что встречаются достаточно ленивые автомобилисты, которые не любят ставить селектор в нейтральное положение во время остановки
То есть они держат и педаль сцепления, и педаль тормоза, при этом сама передача остается на определенном положении. Такая вредная привычка приведет к очень быстрому износу подшипника сцепления. Уж поверьте, замена его значительно ударит вам по карману, так как мастерам придется разбирать всю составляющую сцепления
Также стоит добавить, что встречаются достаточно ленивые автомобилисты, которые не любят ставить селектор в нейтральное положение во время остановки. То есть они держат и педаль сцепления, и педаль тормоза, при этом сама передача остается на определенном положении. Такая вредная привычка приведет к очень быстрому износу подшипника сцепления. Уж поверьте, замена его значительно ударит вам по карману, так как мастерам придется разбирать всю составляющую сцепления.
Сломанный выжимной подшипник сцепления
Некоторые автолюбители при езде любят держать ногу на сцеплении, обуславливают они это тем, что контролируют тягу. Делать так не нужно, ногу рекомендуется ставить на специально подготовленную площадку рядом с педалью. Если периодически заносить ногу на педаль сцепления, то от этого у вас в скором времени проявится усталость. А это в свою очередь отразится на управлении автомобилем и рулежке. Чтобы снизить усталость от лишних действий до минимума, мы советуем вам грамотно отрегулировать кресло водителя. Поверьте, так вам станет намного удобнее и комфортнее ездить на автомобиле.
Водителю должно быть удобно сидеть за рулем
В завершении статьи хочется дать вам еще один дельный совет, если вы хозяин автомобиля с механической коробкой переключения передач. Дело в том, что передачи можно переключать, ориентируясь только на тахометр. Этот прибор указывает на число оборотов двигателя в реальном времени, ориентируясь только на этот параметр можно управляться с КПП.
Внимание!
На бензиновых двигателях оптимальными для переключения считаются обороты около 3000 в минуту. У движков, работающих на дизельном топливе, этот показатель равен 1500-2000 об/мин
Как только автомобиль наберет такие обороты, можно переключать передачу.
Переключать передачи можно и по тахометру
Когда водитель привыкнет к своему автомобилю, то он сможет интуитивно определять обороты и момент переключения передачи. Это будет осуществляться по слуху, а также по ощущениям нагрузки на ДВС.
Если вы детально прочитали нашу статью, то теперь точно знаете как грамотно осуществлять переключение передач. Чтобы быстро научиться управлять автомобилем с МКПП нужно больше практиковаться, так вы сможете чувствовать машину и наберетесь опыта. Желаем вам успехов, будьте аккуратней на дорогах!
Водительская поза в авто
«Чайники» пытаются сесть в автомобиль, странными способами: садятся в авто спиной и начинают разворачиваться на кресле, принимая удобное положение для того, чтоб управлять авто. Подойдите к машине, со стороны водителя, откройте левой рукой дверцу транспортного средства и направьте правую ногу к педали газа, садитесь, плотно закройте дверцу. Отрегулируйте водительское место, учтите:
- Спинка сиденья водителя располагается с маленьким наклоном (угол наклона приближен к 90 градусов).
- Спина плотно прилегает к спинке сидения.
- Ноги не достают к рулевому колесу.
- Водитель наблюдает в зеркалах заднего вида пространство сзади и слева от машины.
Отрегулируйте водительское место, воспользовавшись механизмами на сидении. Ноги свободно достают к педалям и согнуты в коленях. Производить регулировку сиденья при движении машины категорически запрещено. Неправильно выставленное сидение — напряжение позвоночника и локтевых суставов водителя, плюс уменьшение концентрации внимания. Регулировка водительского места выполнена правильно: прислонившись к спинке кресла и переключая передачу, удаленную от водителя, водитель не чувствует дискомфорт.
В чем особенности управления авто с МКП
Навыки правильного переключения скоростей при пользовании авто с АКП должны быть выработаны до автоматизма. Их помогут получить профессиональные уроки вождения на механике для начинающих.
В машинах с МКП нет сложной электроники, выравнивающей скорости вращения шестерней на валу, но есть педаль сцепления. Она отключает трансмиссию для того, чтобы водитель мог поставить рычаг передач в нужную позицию и изменить скорость.
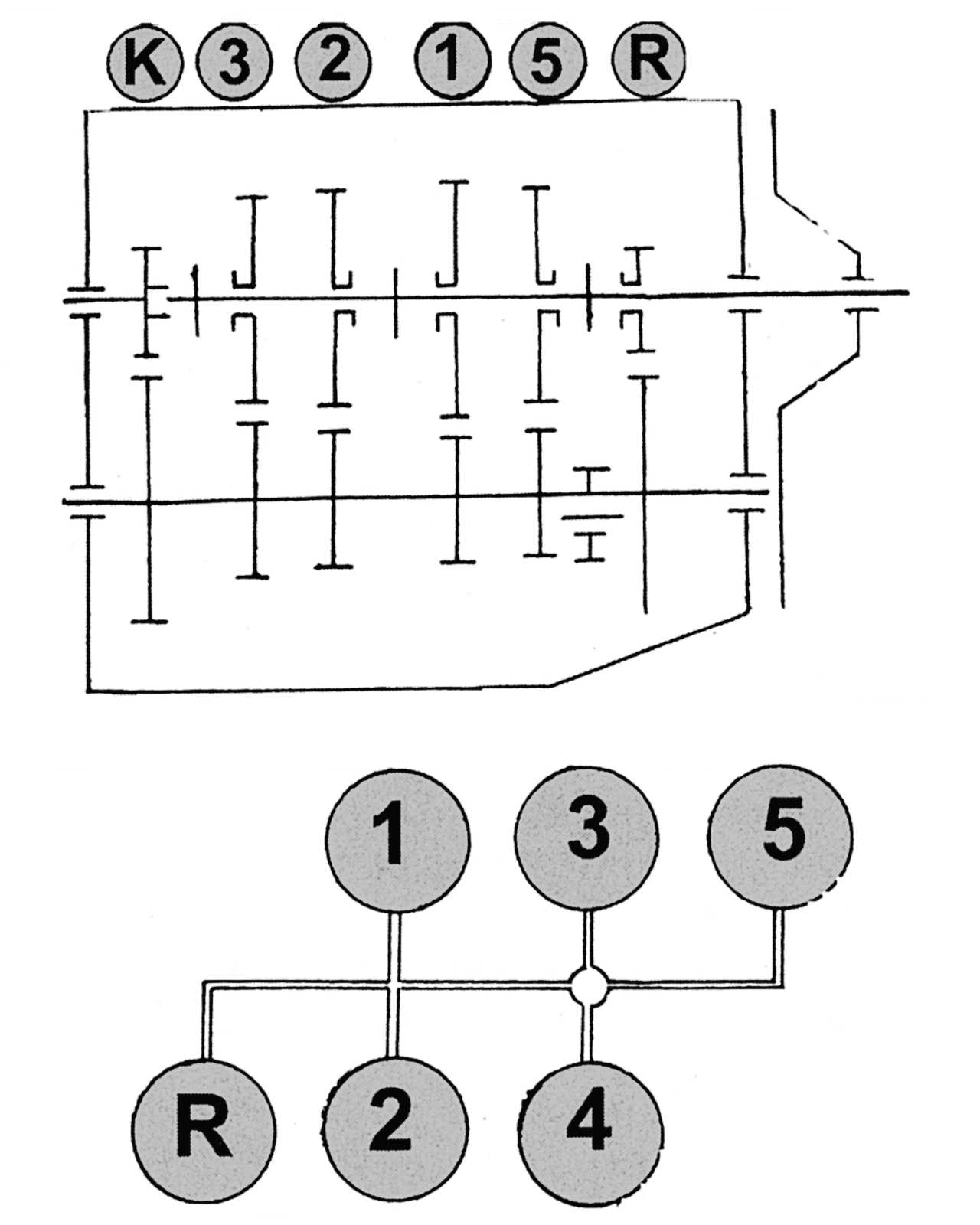
Большинство авто имеют 4-5 скоростей и заднюю передачу. Рассмотрим, для чего они необходимы.
«Нейтралка». Это позиция переключателя, при которой крутящий момент не передается на колеса. В этом положении машина не может начать движение, даже если нажать педаль газа.
Первая. Она предназначена для того, чтобы автомобиль мог двинуться с места. На этой скорости можно разогнаться до 20 км в час. Ее включают при вхождении в повороты, подъеме на крутую гору, при выполнении маневров в небольшом пространстве. Расход топлива на этой скорости — максимальный.
Вторая является переходной. Ее включают при спуске с горки, маневрировании в пробках на дороге. Также она является переходной к другим скоростным передачам.
Третья, четвертая и пятая передачи позволяют разогнать автомобиль до нужной скорости на дороге.
Задняя — необходима для разворотов и парковки
Включать ее нужно осторожно, потому что автомобиль с включенным реверсом разгоняется быстрее, чем на первой передаче.
Повышение передачи

Нажмите на картинку для увеличения
Как уже упоминалось ранее, человек, который научился трогаться с места и ехать на первой передаче, уже освоил около 90% техники вождения на механике. Перейти на более высокую передачу очень легко. В большинстве случаев переходить на повышенную надо после того, как стрелка тахометра достигла отметки в 3000 об./мин. Цифра может отличаться в зависимости от конкретного автомобиля, но эта информация вам не помешает. В случае слишком раннего переключения машина будет немного «дёргаться», и вам придётся перейти на более низку передачу, чтобы она не заглохла.
Когда вы будете готовы к включению повышенной передачи, необходимо делать все в следующем порядке:
- снять правую ногу с педали газа, полностью выжать сцепление левой ногой и передвинуть рычаг переключения КПП в требуемое положение единым движением;
- отпустить педаль сцепления и одновременно нажать на газ правой ногой;
- полностью убрать левую ногу с педали сцепления после включения более высокой передачи и продолжать держать правую ногу на педали газа.
Разгон
После трогания управление автомобилем происходит в следующем режиме:
- разгон ДВС до 2500 – 3000 оборотов;
- переключение на высшую передачу.
Однако разобравшись с этим, следует учесть нюансы:
- время переключения составляет 2 – 4 секунды;
- при движении в гору или на тяжело нагруженной машине обороты снизятся, поэтому следует переключаться на 3000 оборотах;
- при спуске с горы, наоборот, достаточно набрать 2500 оборотов;
- в пробках и в пределах прямой видимости перекрестка не имеет смысла переключаться на верхнюю передачу, так как, все равно, сразу же придется притормаживать;
- на каждой передаче ДВС более уверенно работает на средних оборотах, а детали трения коробки при этом испытывают меньшие нагрузки.
Для движения со скоростью 40 – 60 км/ч лучше переключиться на 3 передачу, 70 – 90 км/ч на 4 передачу, и так далее. Передавать на приводной вал обороты более 4000 мин-1 не рекомендуется.
Маневрирование
Во время учебы вождению для новичка на машине с МКПП существует скоростной регламент 40 км/ч. Однако даже на столь невысокой скорости ему может потребоваться обгон транспортных средств, двигающихся с меньшей скоростью, и перестроение по полосам дорожной разметки.
Другими словами, если машина идет перед вами со скоростью 30 км/ч, у вас должна быть включена минимум 3 передача, на которой можно развить скорость до 60 км/ч. Чтобы не создать помеху участнику движения, которое вы опередите.
Повороты
Перед тем, как переключать скорость, убедитесь, что в непосредственной близости по ходу движения отсутствуют повороты, так как для деталей КПП это вредно. Повороты нужно преодолевать на уже включенной скорости, не нарушая ее скоростной диапазон или обороты 3000 мин-1.
Задний ход
Любой инструктор по вождению МКПП уделяет особое внимание режиму заднего хода, так как движение назад необходимо при парковке и выезде со стоянки. Принцип здесь тот же самый, что и при трогании, однако движение осуществляется по зеркалам заднего вида
Чтобы тронуться задним ходом в гору, заведите ДВС, включите заднюю передачу, плавно отпускайте стояночный тормоз вместе с педалью сцепления при одновременном нажатии акселератора.
Парковка
Чтобы полностью научиться водить машину в городском цикле на механической коробке передач, необходимо овладеть навыком парковки. Основными нюансами для этого упражнения являются:
- боковая парковка осуществляется движением назад, так как это позволяет снизить радиус разворота транспортного средства;
- во время парковки обычно используется 1 и задняя передача, боковые зеркала;
- передачи включаются после окончательной остановки машины педалью тормоза;
- при парковке на крутом склоне дополнительно используется стояночный тормоз и упражнение «эстакада»;
- после установки транспортного средства затягивается стояночный тормоз;
- на ровных участках включается нейтральная передача;
- на крутых склонах включается задняя или первая передача, колеса выкручиваются в сторону обочины/тротуара.
При въезде в гараж или парковки перпендикулярно бордюру задняя скорость включается только при выезде со стояночного места.
Остановка
При остановке на перекрестках или у тротуара/обочины правила управления машиной на механике подразумевают последовательность действий:
- выжимается педаль сцепления;
- включается нейтральная передача;
- педалью тормоза плавно снижается скорость машины.
Остановка на механике
Во время остановки для высадки/посадки пассажиров или выгрузки вещей следует затягивать стояночный тормоз. Независимо от уклона проезжей части.
Процесс обучения вождению: основные стадии
Зачастую при самостоятельном обучении вождению машины с нуля инструктором выступает водитель, который имеет определенный опыт. Такой человек может дать дельные советы, но не забывайте, что у каждого водителя есть свой стиль вождения автомобиля. Потому делать все под копирку не стоит.
Есть несколько стадий, которые характеризуют этапы обучения вождению автомобиля. Все данные стадии необходимо пройти достаточно качественно, иначе в реальных дорожных условиях у вас могут возникнуть проблемы. Данные этапы следующие:
обучение и доведение до автоматизма процесса посадки за руль, настройки сидения и наклона руля, пристегивание;
правильный пуск двигателя с достаточным задержанием ключа на отметке «Зажигание» и загрузкой бортового компьютера;
работа с ручником (зачастую о его существовании забывают, что делает жизнь задних тормозных колодок не слишком приятной);
работа с педалями — данный этап зависит от выбранного типа автомобиля — автоматическая или механическая трансмиссия;
переключение передач — также зависит от типа коробки в выбранном авто;
процесс начала поездки — здесь очень важно правильно тронутся с места, не вызывая рывки в автомобиле;
непосредственно поездка, управление рулевым колесом, переключение нужных передач вовремя.

Практически все данные навыки можно отточить на полигоне, где вы не будете мешать общему движению, а множество других автомобилей не будут мешать вам. После выполнения таких базовых задач необходимо научиться маневрировать на авто. Для этого пригодятся пластиковые колпаки для установки на асфальте. С их помощью можно организовать импровизированные заезды в гараж или места для разворота. С помощью большого количества выполнений таких маневров вы сможете получить максимум практичных навыков вождения.
Как правильно пользоваться переключателем
Чтобы избежать повышенного износа кассеты на заднем колесе, системы звезд на переднем, поломки цепи и не повредить систему переключения передач своего байка в целом, вам необходимо знать несколько основных правил переключения скоростей. Итак:
1. При переключении скоростей на велосипеде следует не допускать максимального перекоса цепи, например, недопустима такая позиция как впереди 1 — сзади 8, и наоборот.
На примере 24 (3*8) скоростной трансмиссии покажем, как стоит сочетать передачи:
| Впереди | Сзади | 
| 1 (малая) | 1-4 | 
| 2 (средняя) | 3-7 | 
| 3 (большая) | 6-8 | 
Самая легкая передача, когда звезды находятся в позиции 1-1. В процессе езды следует стремится к большему числу, наращивайте мощность и скорость, однако прибегайте к максимальному усилению движения не часто, так как это дополнительная нагрузка как на механизм трансмиссии, так и на суставы ног.
Основной ориентир такой – крутить педали вам должно быть не сложно, но и не очень легко, усилие должно быть комфортным.
2 Когда решите переключать передачи, особенно это важно для передних звезд, вам обязательно нужно немного снизить усилия и не давить сильно на педали. Почему? Дело в том, что передняя группа звезд работает с верхней частью цепи, которая в момент движения испытывает максимальное натяжение, поэтому и может порваться если вы будете изменять положение скоростей, не прекращая крутить педали с усилием. 3
Переключаться следует только когда вы находитесь в движении!
3. Переключаться следует только когда вы находитесь в движении!
4. Нужно переключить сразу несколько скоростей? Делайте это поэтапно, не перескакивайте.
Также при переключении вам нужно максимально сильно выжать рычаг манетки, которая отвечает за переднюю группу звезд.
Как узнать сделали ли вы все правильно? Отличный способ узнать, верно ли вы научились переключать передачи — это прислушаться, в случае если цепь легла правильно, то никаких посторонних звуков в виде лязга или треска вы не услышите – конечно, при условии, что у вас в надлежащем состоянии цепь, она смазана, не старая и так далее. Единственное, что может уловить велосипедист — так это небольшой щелчок.
Как поймать и почувствовать момент, когда требуется переключение скоростей на велосипеде? Важное условие для этого — научиться ориентироваться на собственные ощущения, если не хватает сил и вы начали крутить педали вхолостую, значит, пора переключать на следующую скорость. Итак, когда ответ на вопрос о том, как переключать скорости на велосипеде, стал понятным, требуется получить в этом как можно больше собственного опыта, чтобы начать чувствовать момент, когда и как вам нужно сменить передачу. Для этого поездите в разных условиях, к примеру, на шоссе, поднимитесь и спуститесь с горы, ощутите, как меняются обороты каждого колеса при изменении скоростей на велосипеде
Исключительно таким способом вы наездите свой опыт работы с трансмиссией байка, научитесь крутить педали с оптимальным каденсом для вас
Для этого поездите в разных условиях, к примеру, на шоссе, поднимитесь и спуститесь с горы, ощутите, как меняются обороты каждого колеса при изменении скоростей на велосипеде. Исключительно таким способом вы наездите свой опыт работы с трансмиссией байка, научитесь крутить педали с оптимальным каденсом для вас
Итак, когда ответ на вопрос о том, как переключать скорости на велосипеде, стал понятным, требуется получить в этом как можно больше собственного опыта, чтобы начать чувствовать момент, когда и как вам нужно сменить передачу. Для этого поездите в разных условиях, к примеру, на шоссе, поднимитесь и спуститесь с горы, ощутите, как меняются обороты каждого колеса при изменении скоростей на велосипеде. Исключительно таким способом вы наездите свой опыт работы с трансмиссией байка, научитесь крутить педали с оптимальным каденсом для вас.
«Неправильное» переключение передач по ситуациям
В завершение остаётся только перечислить ситуации, когда переключать передачи на механике нужно, так сказать, «неправильно». То есть, невзирая на обороты двигателя, скорость и прочие факторы. Об этом тоже нужно знать, владея машиной с МКПП. Более того, этим всем приёмам необходимо учиться. Желательно до того, как их применение понадобится в реальных условиях.
В общем, вот эти нестандартные ситуации, требующие таких же методов обращения с МКПП:
- При проезде через железнодорожные переезды переключаться категорически запрещено.
- Манёвр под названием обгон нужно рассчитывать так, чтобы он целиком выполнялся на одной и той же передаче.
- Если впереди крутой подъём, пониженную передачу лучше включить заранее.
- Перед спуском с горки переключений тоже лучше избежать.
- В гололёд безопаснее двигаться на более низких оборотах, чем положено, особенно, если у вас (вернее, у машины) задний привод.
- Повороты, в том числе затяжные, также крайне рекомендуется проходить на какой-то одной передаче.
- В гололёд предыдущий пункт воспринимаем не как рекомендацию, а как правило.
- В случае необходимости резко и бодро ускориться бывает полезно переключиться на более низкую передачу, поддав оборотов столько, сколько может отдать двигатель.
Как видите, во всех перечисленных ситуациях думать об оптимальных оборотах, экономичности или ресурсе мотора — некогда. Именно поэтому здесь работают исключения из правил.
Чем отличается механика от автомата в машине
Механическая коробка передач принципиально отличается от автоматической в автомобиле. В автоматической коробке передач переключение передач происходит при достижении определенного давления масла, которое зависит от оборотов двигателя и контролируется различными датчиками. Водителю не нужно заниматься переключением передач, все контролируется электронным блоком. Он «командует» открытием определенного канала, по которому течет масло. Возникающее давление сжимает нужные фрикционные диски и освобождает диски, которые уже вошли в зацепление. В результате переключение передач происходит быстро и без рывков, что позволяет автомобилю быстро и плавно разгоняться.
Ознакомьтесь с нашими рекомендациями по выбору лучшей трансмиссии для автошкол.
Гидротрансформатор используется для преобразования крутящего момента от двигателя к автомату, механическое сцепление отсутствует. Водителю не нужно управлять им, поэтому в автомобилях с автоматической коробкой передач нет педали сцепления.
Механическая коробка передач также является по сути закрытой коробкой передач. Он состоит из различных шестерен, некоторые из которых сцепляются в определенное время, так что происходит изменение вращения между входным и выходным валами. Электроника для контроля оборотов двигателя или других параметров отсутствует. Необходимая комбинация передач включается водителем с помощью рычага коробки передач.
Коробка передач передает через свои узлы большое количество крутящего момента, поэтому особую роль в ней играет сцепление — узел, распределяющий передачу крутящего момента от двигателя к коробке передач в нужный момент.
Вот разница между ручным и автоматическим режимами:
- 
- При управлении автомобилем с автоматической коробкой передач вам не нужно следить за оборотами двигателя и постоянно переключать передачи;
- С автоматом езда будет более плавной;
- В автомобилях с автоматом нет необходимости использовать правую ногу для управления педалями, левая нога не используется из-за отсутствия педали сцепления.
 
Женщины и новички предпочитают автоматику из-за простоты использования.
Плюсы и минусы механической коробки передач
Механические коробки передач имеют несложную конструкцию, что делает автомобили более дешевыми и простыми в обслуживании. Преимуществами механической коробки передач являются:
- 
- дешевый ремонт в случае поломки;
- высокая прочность;
- Экономия бензина (на 10-15% по сравнению с автоматической коробкой передач);
- высокая эффективность;
- Возможность буксировки, запуска двигателя с ускорением.
 
Вторичность автомобиля с механической коробкой передач высока, водитель может сам выбирать стиль вождения, выбирая нужную передачу в нужное время.
Механическая коробка передач не лишена недостатков:
- 
- это усложняет управление автомобилем;
- увеличивает риск отказа сцепления, если водитель неопытен;
- увеличивает нагрузку на двигатель при неправильном включении передачи
- Она увеличивает интервал переключения передач (по сравнению с автоматической коробкой передач);
- Утомляет водителя при городской езде.
 
В то же время механическая коробка передач — хорошее подспорье при движении по снегу или грязи. Особенно если вы опытный водитель и умеете вовремя переключать передачи. Автоматическая коробка передач менее способна работать в таких условиях.
Неопытный водитель может в мгновение ока сломать механическую коробку передач или сцепление.
Хорошее чтение о том, как пользоваться механической коробкой передач.
Лучшие российские и зарубежные автоматы
Автоматические трансмиссии, сделанные за рубежом
На европейском рынке лидирующую позицию занимают коробки от производителя ZF. Эти автоматы обладают большим эксплуатационным ресурсом. Многие владельцы авто отмечают, что у коробки есть недостатки: быстро изнашивается фрикцион гидротрансформатора и мехатроник, но, несмотря на это, агрегат обладает повышенной надежностью и комфортом.
Главное правильно обслуживать коробку и делать это регулярно, при необходимости проводить капитальный ремонт. Тогда механизм прослужит более 1 миллиона километров.
Коробка-автомат 6HP26/6HP28/6HP32 встречается на машинах с объемом мотора до 6 литров:
- «Ауди» A4-A6, Q7;
- БМВ третьей, пятой, шестой, седьмой серии, а также Х3, Х5, Х6;
- «Бентли»;
- «Фольксваген-Фаэтон».
	
Еще одна надежная и популярная коробка-автомат от концерна «Ауди» — 01М, она производится с 1995 года. Эту АКПП легко отремонтировать, и, если регулярно обслуживать трансмиссию, она пойдет до 500 000 километров.
Усовершенствованная коробка DP2/DP8 устанавливается на следующие машины:
- «Рено-Логан», «Лагун», «Клио»;
- «Пежо» 206-207, 307-308 и 407-408;
- «Cитроен» C3-C5, C8.
Данная коробка выходит из строя из-за перегрева, поэтому важно не допускать превышения температуры более чем 75–90 ᵒС. Если вы водите плавно и аккуратно, капитальный ремонт трансмиссии потребуется только после 200 000 километров.
Автоматические трансмиссии отечественного производства
Многие автомобилисты в Российской Федерации отмечают высокое качество и надежность модели JF414E от японского производителя Jatco, которые выпускаются для АвтоВАЗа.
Данную коробку-автомат адаптировали к условиям эксплуатации в нашей стране. Конструктивно она достаточно простая, практически не ломается. В нее можно заливать как родную трансмиссионную смазку, так и бюджетные масла. В теории коробка без капитального ремонта может пройти 200 000–400 000 километров.
Данную коробку устанавливают на «Ладу-Калину». В «Приоре» с 16 клапанами и ДВС на 106 лошадиных сил монтируют автомат от ZF.
Если говорить про отечественных производителей трансмиссий, но наиболее надежной считается коробка от бренда «КАТЕ», которая устанавливается на «Аурус». Она представляет собой автомат с 9 передачами, без стандартного гидротрансформатора. В 2006 году модель FT703 устанавливалась на «Ладу-Калину», однако в серию такие коробки не пошли. Ресурс данного агрегата составляет 250 000 километров.
Коробки-роботы, сделанные в нашей стране, к примеру модель АМТ, производятся серийно и устанавливаются на «Ладу-Гранту», «Ладу-Весту», а также «Ладу-Икс-Рей». Раньше такие роботы стояли на «Ладе-Приоре», «Ладе-Калине».
Основные требования перед поездкой
Для того, чтобы движение по трассе не приносило дискомфорта нужно отлично знать все расположения скоростей. Если вы не знаете, как переключать передачи на механике, то можно попрактиковаться на заглушенном автомобиле. Переключение передач довольно простой процесс, главное не забывать, что в данном случае вам придется делать два дела одновременно. В теории механическая коробка передач очень проста, да и в обслуживании она обходится дешевле, а вот на практике многие ее побаиваются. Главное не садиться за руль в плохом самочувствии и не выезжать на оживленную местность до момента пока не наберется достаточное количество опыта вождения.
 Схема переключения передач
Схема переключения передач































 
    


